Гидрораспределитель DSG-02-3C3 – это высокотехнологичное и надежное устройство, предназначенное для управления гидравлическими системами. Этот гидрораспределитель отличается высокой производительностью, точностью и долговечностью.
Гидрораспределитель DSG-02 предназначен для использования в различных отраслях промышленности, где требуется точное и эффективное управление гидравлическими системами. Он может быть использован в грузоподъемных механизмах, строительной технике, промышленных машинах и других областях, требующих регулирования гидравлического потока.
Расшифровка номера модели DSG-02-3C3-A220-DL
- DSG – тип гидрораспределителя;
- 02 – условный проход 6 мм;
- 3C3 – схема распределения потока рабочей жидкости;
- A220 – напряжение питания электромагнита (переменный ток);
- DL – разъём со светодиодом (устанавливается по умолчанию).
Гидросхема DSG-02-3C3

Гидрораспределитель DSG-02-3C3-DL обладает компактным и прочным корпусом, выполненным из высококачественных материалов. Это обеспечивает долгий срок службы и надежную работу даже в самых экстремальных условиях эксплуатации. Кроме того, гидрораспределитель DSG-02 имеет простую конструкцию, что облегчает его установку и обслуживание.
Основные преимущества гидрораспределителя включают высокую точность управления, быструю реакцию на изменение нагрузки, минимальный уровень шума и низкое энергопотребление. Все эти характеристики помогают оптимизировать производственные процессы и повысить эффективность работы гидравлических систем.
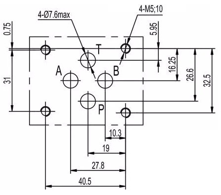
Присоединительные размеры DSG-02

Технические характеристики:
- условный проход: 1/4" (6 мм) (CETOP-03);
- напряжение: 220 В переменного тока 50/60 Гц;
- рабочее давление в каналах А, В, Р: 31.5 МПа;
- рабочее давление в канале Т: 16 МПа;
- максимальный расход: 80л/мин;
- диапазон вязкости рабочей жидкости: 2.8 – 500 мм2/с;
- максимальная частота работы: 150 цикл/мин;
- тонкость фильтрации: 25 мкм;
- диапазон температуры окружающей среды: от +5 до +60 °С;
- способ установки золотника: пружинный возврат;
- сертификация: CE (евростандарт);
- масса: 2.2 кг
| Основные | |
|---|---|
| Состояние | Новое |
| Тип | Гидрораспределитель |
| Тип распределителя | Золотниковый |
| Управление | Электромагнитное |
| Условный проход | 6 мм |
| Номинальное давление | 31.5 МПа |
| Максимальное рабочее давление | 31.5 МПа |
| Номинальный расход жидкости | 80 л/мин |
| Максимальная частота вращения вала | 150 об/мин |
| Минимальная кинематическая вязкость рабочей жидкости | 2.8 кв. мм/с |
| Максимальная кинематическая вязкость рабочей жидкости | 500 кв. мм/с |
| Дополнительные характеристики | |
| Минимальная температура рабочей жидкости | 5 град. |
| Максимальная температура рабочей жидкости | 60 град. |
| Минимальная температура окружающей среды | 5 град. |
| Максимальная температура окружающей среды | 60 град. |
| Тонкость фильтрации | 25 мкм |
| Напряжение питания | 220 В |
| Габаритные размеры | |
| Вес | 2.2 кг |
- Бағасы: 58 800 ₸



